KULER SOĞUTUCU LASTİKLERİ
KULER SOĞUTUCU LASTİKLERİ
TİP : PİPO KULER SOĞUTUCU LASTİKLERİ

Kuler (soğutucu) lastikleri kullanım yerleri;
Deniz ve kara makinalarında motor suyunu veya yağını soğutan sistemlerden her iki uçtan suyun girişi ve çıkışı kuler orta kısımda da boruların içinden geçen tatlı motor suyunu veya motor yağını deniz suyu ile soğutmada her iki uç kısıma takılan giriş ve çıkış olarak kullanılan adaptör lastiklerdir.
Lastikler deniz suyuna dayanıklıdır.Sıcaklık olarak -30°C , +90°C ‘ye kadardır.
Değişik tip ve modeller için firmamızı arayabilirsiniz.

TİP : PİPO KULER SOĞUTUCU LASTİK TEKNİK ÖLÇÜLERİ
|
A |
B |
C |
D |
E |
F |
G |
H |
K |
L |
M |
N |
P |
|
Ø50 - Ø60-R2" |
Ø20-R1/2" |
Ø73 |
Ø83 |
Ø31,5 |
Ø41,5 |
25-22 |
109 |
41 |
Ø16 |
17-15 |
28 |
20 |
|
Ø70 |
Ø26-R 3/4’’ |
Ø81 |
Ø86 |
Ø37 |
Ø42 |
24 |
85 |
Ø51 |
Ø23 |
23 |
30 |
18 |
|
Ø70 |
Ø42-R 1 1/4’’ |
Ø81 |
Ø86 |
Ø52 |
Ø57 |
24 |
102 |
Ø60 |
Ø37 |
21 |
26 |
18 |
|
Ø75-R 2 1/2’’ |
Ø26-R 3/4’’ |
Ø86 |
Ø91 |
Ø37 |
Ø42 |
24 |
85 |
Ø51 |
Ø23 |
23 |
30 |
18 |
|
Ø90-R 3’’ |
Ø16-R 3/8’’ |
Ø105 |
Ø110 |
Ø27 |
Ø32 |
24 |
95 |
Ø62 |
Ø13 |
24 |
30 |
17 |
|
Ø90-R 3’’ |
Ø26-R 3/4’’ |
Ø105 |
Ø110 |
Ø41 |
Ø46 |
24 |
95 |
Ø62 |
Ø23 |
24 |
30 |
17 |
|
Ø115-R 4’’ |
Ø42-R 1 1/4’’ |
Ø129 |
Ø134 |
Ø57 |
Ø62 |
25 |
122 |
Ø86 |
Ø39 |
25 |
34 |
17 |
|
Ø141-R 5’’ |
Ø48-R 1 1/2’’ |
Ø160 |
Ø167 |
Ø69 |
Ø79 |
31 |
150 |
Ø105 |
Ø42 |
28 |
42 |
21 |
|
Ø168-R 6’’ |
Ø60-R 2’’ |
Ø188 |
Ø195 |
Ø82 |
Ø90 |
36 |
180 |
Ø129 |
Ø50 |
37 |
40 |
37 |
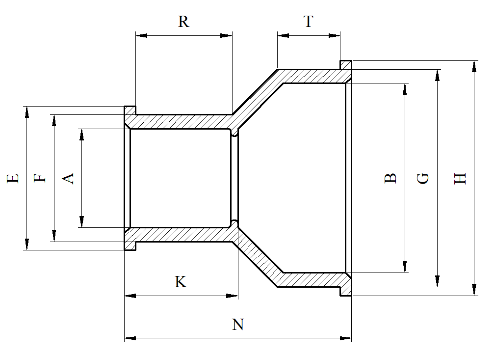
TİP : KONİK BORU BAĞLANTI LASTİK ADAPTÖR TEKNİK ÖLÇÜLERİ

| TİP - TYPE | A | B | E | F | G | H | K | N | R | T |
| R3/4'' (Ø26) x 2'' (Ø50,8) | R3/4'' (Ø26) | 2'' (Ø50,8) | Ø44 | Ø38 | Ø56,5 | Ø62 | 30 | 60 | 31 | 19 |
| R1" (Ø32) x Ø55 | R1" (Ø32) | Ø55 | Ø49 | Ø43 | Ø67 | Ø73 | 27 | 66 | 21 | 20 |
| R3/4" (Ø26) x R2" (Ø60) | R3/4" (Ø26) | R2" (Ø60) | Ø43 | Ø37 | Ø71 | Ø77 | 25 | 66 | 20 | 22 |
| R1 1/4’’ (Ø42) x Ø70 | R1 1/4’’ (Ø42) | Ø70 | Ø56 | Ø51 | Ø80 | Ø85 | 27 | 83 | 23 | 21 |